USING FOR

For use in equipment insulated with SF6 gas.

STANDARDS

The plug in type bushings TK – RMU250 was product the requirements of IEC TS EN 50180 , IEC TS EN 50181, IEC 60137

ORDERING INSTRUCTION

To order the product bushings, simply specify the type.

Interface A up to 24 - 250A

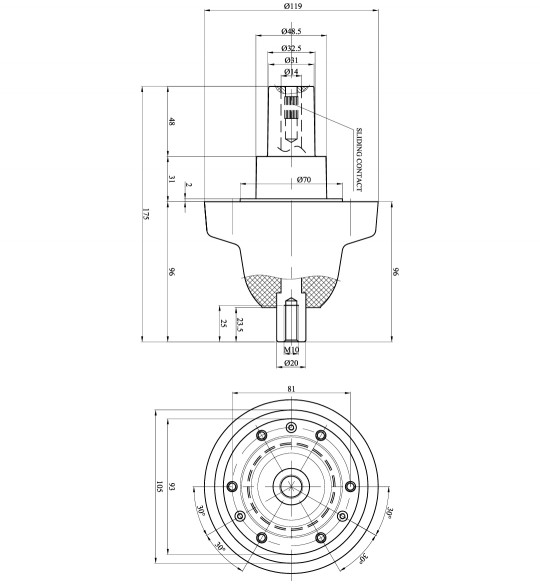
DESIGN

• The equipment bushings are moulded epoxy insulated parts in accordance with IEC EN 50180.
• The TK-RMU250 bushing has a shank outside this standard, adapted for use in SF6 gas.

TESTING

All type bushings test by TAKFAN's Quality persons as %100 in TAKFAN Laboratory according to IEC 60137 . Rank of tests as a belows;

• Dry power-Frequency voltage withstand test
• Measurement of the partial discharge quantity

• Air leakage test (2 bars/min.)
• Cantilever load withstand test.
• Visual inspection and dimensional check

SHORT CIRCUIT RATINGS

Product Code Voltage Ur (kV) Current lr (A)
TK RMU250 12-24 250